상품 이미지 새창 보기

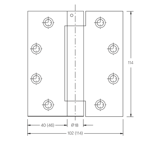
1502 Satin Chrome 1502 Satin Chrome